NW Type(Standard), ISO, TAP(Option)
SUS 316L(Standard), SUS 304,others (Option)
SUS 304(Standard), ±âŸ(Option)
10-10 mbar §¤/sec
- BellowsÀÇ »ê°í°¡ ³ô°í ÇÇÄ¡°¡ Á¼°Ô ¼³°èµÊ
- Áøµ¿ Èí¼ö¼ºÀÌ ¿ì¼ö
- Spring Ư¼ºÀÌ ¿ì¼ö
- ³»±¸ ¼ö¸íÀÌ ±æ´Ù
- üÀû º¯ÈÀ²ÀÌ Àû´Ù
Áø°ø Àåºñ ÃëºÎ ¹× Áø°ø ¹è°ü¿ë
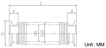
| ID | OD | §¤ | D | BellowsThickness | L | Specification | |
|---|---|---|---|---|---|---|---|
| NW-16 | 16.2 | 24.5 | 15 | 30 | 0.15 | 100~1000 | |
| NW-25 | 25.1 | 35.5 | 15 | 40 | 0.15 | 100~1000 | |
| NW-40 | 39.2 | 55.5 | 15 | 55 | 0.15 | 100~1000 | |
| NW-50 | 49.5 | 67 | 15 | 75 | 0.15 | 100~1000 | |
| NW-63 | 64.3 | 85.5 | 20 | 87 | 0.2 | 100~1000 | |
| NW-80 | 76.2 | 101.5 | 20 | 114 | 0.2 | 100~1000 | |
| NW-100 | 99.2 | 125.5 | 20 | 134 | 0.2 | 100~1000 |